
發布時間:2017-02-09
ZF系列永磁同步電機

采用旋轉變壓器,性能優越,品質可靠;
廣泛運用于機床、印刷設備、包裝設備、紡織設備、橡塑設備、電子半導體、風電/太陽能等新能源以及機器人、自動化生產線、注塑機、壓鑄機、鞋機、木工機械、空壓機、建筑機械、碼垛機等領域。
¥ 功能特點
伺服電機應用高性能稀土永磁材料,內稟矯頑力高,抗去磁能力強;采用三相正弦波磁場,動態響應好,通過外接高性能風扇強制制冷,得到合理的電機溫升。
¥ ZF伺服電機命名規則

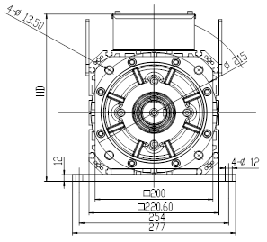
¥ ZF伺服電機規格
ZF18系列
|
基本數據 |
伺服電機系列 |
ZF18系列 |
||||||||||||
|
伺服電機型號 |
ZF1805203 |
ZF1807203 |
ZF1808203 |
ZF1810203 |
ZF1813203 |
ZF1805183 |
ZF1807183 |
|||||||
|
額定轉矩 Nmrms |
53 |
70 |
87.5 |
105 |
132 |
54 |
68 |
|||||||
|
額定轉速 Rpm |
2000 |
2000 |
2000 |
2000 |
2000 |
1800 |
1800 |
|||||||
|
額定功率(KW) |
11 |
15 |
18 |
22 |
27 |
9.5 |
12.5 |
|||||||
|
物理參數 |
較高轉速 Rpm |
2400 |
2400 |
2400 |
2400 |
2400 |
2100 |
2100 |
||||||
|
轉子轉動慣量 (Mkg*m^2) |
7.5 |
9.8 |
11.4 |
13.1 |
14.5 |
7.5 |
9.8 |
|||||||
|
電機絕緣等級 |
F |
|||||||||||||
|
冷卻方式 |
強制風冷 |
|||||||||||||
|
防護等級 |
IP54 |
|||||||||||||
|
PTC常溫電阻 (Ω) |
300 |
|||||||||||||
|
電氣參數 |
極數 |
8 |
8 |
8 |
8 |
8 |
8 |
8 |
||||||
|
轉子常數 (Nm/Arms) |
2.41 |
2.5 |
2.73 |
2.62 |
2.54 |
2.94 |
2.83 |
|||||||
|
反電動勢 |
310 |
300 |
330 |
330 |
324 |
326 |
301 |
|||||||
|
繞組電阻 (Ohm) |
0.60 |
0.39 |
0.34 |
0.26 |
0.205 |
0.85 |
0.48 |
|||||||
|
額定工作電壓(Vrms) |
380 |
380 |
380 |
380 |
380 |
380 |
380 |
|||||||
|
額定工作電流(Arms) |
22 |
28 |
32 |
40 |
52 |
18 |
24 |
|||||||
|
伺服電機代號(PP-02) |
30520 |
30720 |
30820 |
31020 |
31320 |
30518 |
30618 |
|||||||
|
型號 |
尺寸 |
||||
|
B |
F*FG |
G |
L |
HD |
|
|
ZF1805203 |
312 |
12*5 |
37 |
380 |
300 |
|
ZF1807203 |
312 |
12*5 |
37 |
416 |
300 |
|
ZF1808203 |
312 |
12*5 |
37 |
452 |
300 |
|
ZF1810203 |
312 |
12*5 |
37 |
488 |
300 |
|
ZF1813203 |
396 |
12*5 |
37 |
524 |
300 |
|
ZF1805183 |
396 |
12*5 |
37 |
380 |
300 |
|
ZF1807183 |
396 |
12*5 |
37 |
416 |
300 |

|
基本數據 |
伺服電機系列 |
ZF18系列 |
|||||||
|
伺服電機型號 |
ZF1808183 |
ZF1810183 |
ZF1813183 |
ZF1805153 |
ZF1807153 |
ZF1818153 |
ZF1810153 |
ZF1813153 |
|
|
額定轉矩 Nmrms |
85 |
108 |
132 |
53 |
70 |
87.5 |
105 |
132 |
|
|
額定轉速 Rpm |
1800 |
1800 |
1800 |
1500 |
1500 |
1500 |
1500 |
1500 |
|
|
額定功率(KW) |
15.5 |
20.5 |
24.5 |
8.2 |
11 |
13.7 |
16.5 |
20.5 |
|
|
物理參數 |
較高轉速 Rpm |
2100 |
2100 |
2100 |
1800 |
1800 |
1800 |
1800 |
1800 |
|
轉子轉動慣量 (Mkg*m^2) |
11.4 |
13 |
14.5 |
7.5 |
9.8 |
11.4 |
13.1 |
14.5 |
|
|
電機絕緣等級 |
F |
||||||||
|
冷卻方式 |
強制風冷 |
||||||||
|
防護等級 |
IP54 |
||||||||
|
PTC常溫電阻 (Ω) |
300 |
||||||||
|
電氣參數 |
極數 |
8 |
8 |
8 |
8 |
8 |
8 |
8 |
8 |
|
轉子常數 (Nm/Arms) |
2.93 |
2.92 |
2.5 |
3.11 |
3.04 |
3.24 |
3.00 |
3.00 |
|
|
反電動勢 |
333 |
350 |
295 |
305 |
290 |
310 |
300 |
3.00 |
|
|
繞組電阻 (Ohm) |
0.46 |
0.33 |
0.205 |
1.1 |
0.75 |
0.46 |
0.35 |
0.275 |
|
|
額定工作電壓(Vrms) |
380 |
380 |
380 |
380 |
380 |
380 |
380 |
380 |
|
|
額定工作電流(Arms) |
29 |
37 |
53 |
17 |
23 |
27 |
35 |
44 |
|
|
伺服電機代號(PP-02) |
30818 |
31018 |
31318 |
30515 |
30715 |
30815 |
31015 |
31315 |
|
|
型號 |
尺寸 |
||||
|
B |
F*FG |
G |
L |
HD |
|
|
ZF1808183 |
396 |
12*5 |
37 |
452 |
300 |
|
ZF1810183 |
396 |
12*5 |
37 |
488 |
300 |
|
ZF1813183 |
396 |
12*5 |
37 |
524 |
300 |
|
ZF1805153 |
396 |
12*5 |
37 |
380 |
300 |
|
ZF1807153 |
396 |
12*5 |
37 |
416 |
300 |
|
ZF1818153 |
396 |
12*5 |
37 |
452 |
300 |
|
ZF1810153 |
396 |
12*5 |
37 |
488 |
300 |
|
ZF1813153 |
396 |
12*5 |
37 |
520 |
300 |

ZF25系列
|
基本數據 |
伺服電機系列 |
ZF25系列 |
||||
|
伺服電機型號 |
ZF2530183 |
ZF2525183 |
ZF2521183 |
ZF2517183 |
ZF2513183 |
|
|
額定轉矩 Nmrms |
314 |
248 |
205 |
168 |
132 |
|
|
額定轉速 Rpm |
1800 |
1800 |
1800 |
1800 |
1800 |
|
|
額定功率(KW) |
55 |
47 |
35.5 |
31.5 |
25 |
|
|
物理參數 |
較高轉速 Rpm |
2100 |
2100 |
2100 |
2100 |
2100 |
|
轉子轉動慣量 (Mkg*m^2) |
58 |
50 |
42 |
35 |
28 |
|
|
電機絕緣等級 |
F |
|||||
|
冷卻方式 |
強制風冷 |
|||||
|
防護等級 |
IP54 |
|||||
|
PTC常溫電阻 (Ω) |
300 |
|||||
|
電氣參數 |
極數 |
8 |
8 |
8 |
8 |
8 |
|
轉子常數 (Nm/Arms) |
2.70 |
2.66 |
2.77 |
2.66 |
2.75 |
|
|
反電動勢 |
300 |
320 |
324 |
307 |
310 |
|
|
繞組電阻 (Ohm) |
0.046 |
0.067 |
0.093 |
0.114 |
0.203 |
|
|
額定工作電壓(Vrms) |
380 |
380 |
380 |
380 |
380 |
|
|
額定工作電流(Arms) |
116 |
93 |
74 |
63 |
48 |
|
|
伺服電機代號(PP-02) |
33118 |
32418 |
32018 |
31618 |
31318 |
|
|
型號 |
|
||||
|
B |
F*FG |
G |
L |
HD |
|
|
ZF2530183 |
370 |
14*5.5 |
42.5 |
470 |
360 |
|
ZF2525183 |
370 |
14*5.5 |
42.5 |
510 |
360 |
|
ZF2521183 |
370 |
14*5.5 |
42.5 |
550 |
360 |
|
ZF2517183 |
370 |
14*5.5 |
42.5 |
590 |
360 |
|
ZF2513183 |
370 |
14*5.5 |
42.5 |
630 |
360 |

|
基本數據 |
伺服電機系列 |
ZF25系列 |
||||
|
伺服電機型號 |
ZF2517153 |
ZF2521153 |
ZF2525153 |
ZF2530153 |
||
|
額定轉矩 Nmrms |
168 |
205 |
248 |
314 |
||
|
額定轉速 Rpm |
1500 |
1500 |
1500 |
1500 |
||
|
額定功率(KW) |
27 |
32 |
39 |
46 |
||
|
物理參數 |
較高轉速 Rpm |
1800 |
1800 |
1800 |
1800 |
|
|
轉子轉動慣量 (Mkg*m^2) |
35 |
42 |
50 |
58 |
||
|
電機絕緣等級 |
F |
|||||
|
冷卻方式 |
強制風冷 |
|||||
|
防護等級 |
IP54 |
|||||
|
PTC常溫電阻 (Ω) |
300 |
|||||
|
電氣參數 |
極數 |
8 |
8 |
8 |
8 |
|
|
轉子常數 (Nm/Arms) |
3.36 |
3.33 |
3.33 |
3.56 |
||
|
反電動勢 |
320 |
320 |
320 |
320 |
||
|
繞組電阻 (Ohm) |
0.204 |
0.133 |
0.113 |
0.085 |
||
|
額定工作電壓(Vrms) |
380 |
380 |
380 |
380 |
||
|
額定工作電流(Arms) |
50 |
62 |
75 |
88 |
||
|
伺服電機代號(PP-02) |
31615 |
32015 |
32415 |
33115 |
||
|
型號 |
尺寸 |
||||
|
B |
F*FG |
G |
L |
HD |
|
|
ZF2517153 |
370 |
14*5.5 |
42.5 |
590 |
360 |
|
ZF2521153 |
370 |
14*5.5 |
42.5 |
550 |
360 |
|
ZF2525153 |
370 |
14*5.5 |
42.5 |
510 |
360 |
|
ZF2530153 |
370 |
14*5.5 |
42.5 |
470 |
360 |
